Product  PT60R-2043-I2-H1141

Pressure Transmitter

With Current Output (2-Wire)

Order number: 6837740
    • Fully welded metal measuring cell
    • Pressure range 0…60 bar rel.
    • 7…33 VDC
    • Analog output 4…20 mA
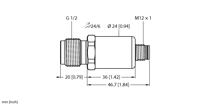
    • Process connection G1/2" male thread, front sealing
    • Connector device, M12 × 1
#

General data

EAN 4047101430011
eCl@ss-Code (V5.1.4): 27200614 -/- Piezoresistive sensor (absolute and relative pressure)
Customs tariff number 90262020000
Country of origin CH
Weight 137 g

Technical Data

Approvals cULus

Please confirm the format

Mode of dispatch

Format s.o.:

to top