Product  DWE-8000-135-10-2B2000-H1181

Draw-Wire

Order number: 100049399
    • Draw-wire sensor for large measuring lengths
    • With permanently installed incremental encoder
    • Measuring principle: optical
    • Sensor protection class IP65
    • ‐20…+85 °C
    • 10…30 VDC
    • Push-pull/HTL with inversion
    • Pulse frequency max. 300 kHz
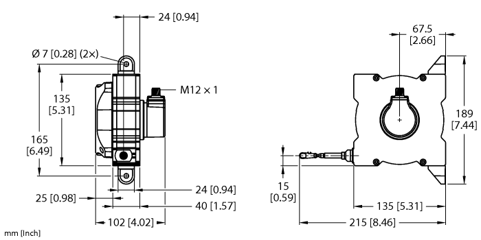
    • M12 × 1 connector, 8-pin
#

General data

EAN 4047101659375
eCl@ss-Code (V5.1.4): 27270502 -/- Encoder, incremental
Customs tariff number 90318020000
Country of origin DE
Weight 2000 g

Technical Data

Design Draw Wire
Operating voltage 10…30 VDC
Output function Push-Pull/HTL
Electrical connection Connector, M12 × 1
Housing material Titanium anodized aluminium
Ambient temperature -20…+85 °C
Protection class IP65
to top