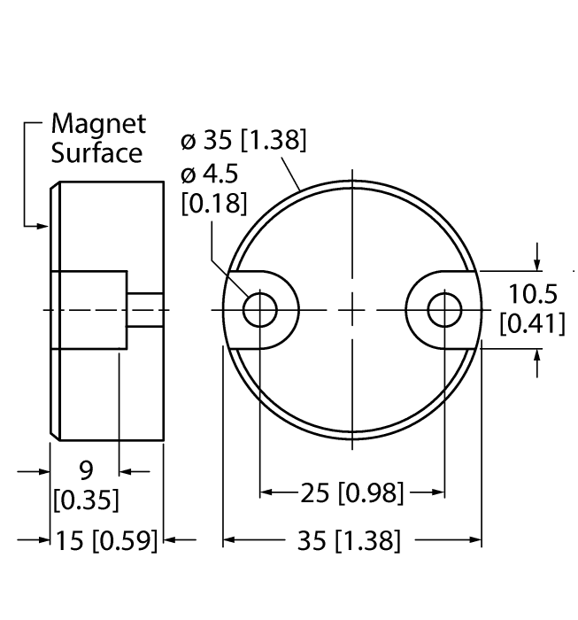
Product SI-MAGB3MM
Safety Technology
Safety Switches
Magnetic
Order number: 3807134Alternative order number : 807134
- Tamper-proof
- Magnetic safety switch SI-MAGB3SMxx required for operation

Mounting accessories
|
REI-E-113T8S-2B2500-H1181 | 100011551 |
|
RSS8T-5/TEL | 6625453 |
|
PKG4M-1-PSW4M/TEL | 6625316 |

