Product FCS-G1/2A4-NAEX0/AL065
Flow Monitoring
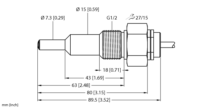
Immersion Sensor without Integrated Processor
Order number: 6870346- Ex sensor for gaseous media
- Calorimetric functionality
- Adjustment via Ex signal processor
- Status indicated via LED chain on signal processor
- Cable device
- 4-wire connection to an Ex0 processor
- ATEX category II 1/2 G, Ex-zone 0
- ATEX category II 1 D, Ex zone 20

General data
| EAN | 4047101173109 |
| eCl@ss-Code (V5.1.4): | 27273190 -/- Flow meter (not classified) |
| Customs tariff number | 90268020000 |
| Country of origin | DE |
| Weight | 287 g |
Technical Data
| Electrical connection | Cable |
| Cable length | 2.0 m |
| Housing material | Stainless steel, 1.4571 (AISI 316Ti) |
| Protection class | IP67 |
| Approvals | ATEX II 1 G, ATEX II 2 G, ATEX II 1 D |
Mounting accessories
|
REI-E-113T8S-2B2500-H1181 | 100011551 |
|
RSS8T-5/TEL | 6625453 |
|
PKG4M-1-PSW4M/TEL | 6625316 |
Connectivity accessories
|
TI-BL20-E-EN-S-6
BL ident interface set |
7030632 |
|
RSC4.4T-15/TXG | 6634164 |

