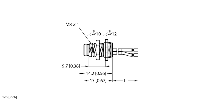
Product PFS4F-0.2
Male Flange with Stranded Wires, Rear-mounted
Order number: 6934790- Stranded wire length: 0.2 m

General data
| EAN | 4047101371550 |
| eCl@ss-Code (V5.1.4): | 27279201 -/- Connectivity (accessories sensors) |
| Customs tariff number | 85366990990 |
| Country of origin | DE |
| Weight | 10 g |
Functional accessories
|
PT600R-2008-I2-H1141/X | 6836672 |

