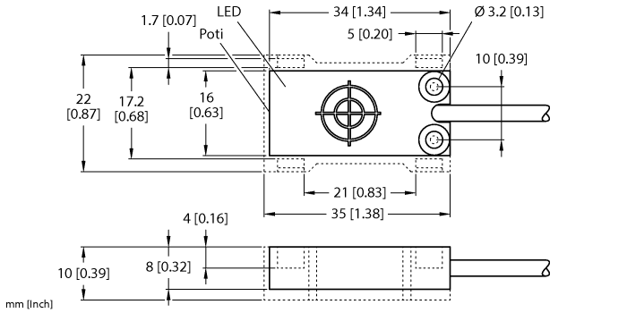
Product BCE8-QP08-AN6X
Capacitive Sensor
With Potentiometer
Order number: 100016729- Rectangular, height 8mm
- Plastic, PP
- Mounting frame, PUR
- Fine adjustment via potentiometer
- DC 3-wire, 12…30 VDC
- NO contact, NPN output
- Cable connection

General data
| EAN | 4047101520620 |
| eCl@ss-Code (V5.1.4): | 27270102 -/- Capacitive proximity switch |
| Customs tariff number | 85365019000 |
| Country of origin | DE |
| Weight | 36 g |
Technical Data
| Mounting conditions | Flush |
| Cable length | 2.0 m |
| Construction size | 34 x 16 x 8 mm |
| Housing material | Plastic, PP |
| Ambient temperature | -30…+70 °C |
| Protection class | IP65 |

