Product RME-5
Accessories
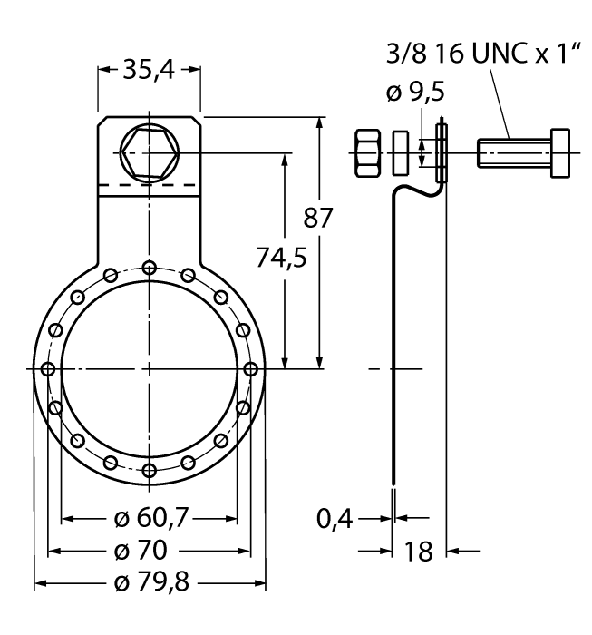
Mounting Panel
For Hollow Shaft Encoders
Order number: 1544616- Mounting panel
- Short version, reference diameter 149 mm
- For applications with axial play
- Material: stainless steel

General data
| EAN | 4047101257304 |
| eCl@ss-Code (V5.1.4): | 27279090 -/- Sensor technology (not classified) |
| Customs tariff number | 90319000000 |
| Country of origin | DE |
| Weight | 46 g |
Technical Data
| Technology | Accessories conventional encoder |
| Housing material | Stainless steel |
Mounting accessories
|
WL50SWL20 | 3019046 |
|
PT10R-1020-I2-H1143/X | 100002632 |
|
QS18EK6XLPCQ | 3801742 |
Functional accessories
|
RKSV4.5T-0.5-RSSV4.5T/TXY3013 | 6632917 |
|
RKS4.5T-3/TXL | 6626787 |
|
REI-E-114I8E-2B512-H1181 | 100011754 |
|
PKW4M-P7X2-0.6-PSG4M/TEL | 6626246 |
|
SLSE14-1500Q8 | 3073360 |
|
TL50BLGY2R1 | 3027338 |
|
WKC4.4T-2-RSC4.4T/TXY | 6629768 |

