Product REM-99S8C-3C12S12M-H1181
Absolute Rotary Encoder - Multiturn
Industrial Line
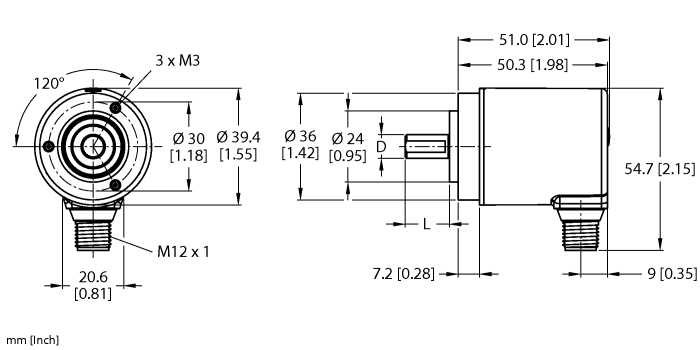
Order number: 100011240- Clamping flange, Ø 36 mm
- Solid shaft, Ø 8 mm × 15 mm
- Magnetic measuring principle
- Shaft material: stainless steel
- Protection class IP67 on housing and shaft side
- ‐40…+85 °C
- Max. 4000 rpm (continuous operation 2000 rpm)
- Energy harvesting technology
- 10…30 VDC
- SSI, gray
- M12 × 1 male, 8-pin
- Singleturn, 12-bit resolution
- Multiturn, 12-bit resolution

General data
| EAN | 4047101549430 |
| eCl@ss-Code (V5.1.4): | 27270501 -/- Encoder, absolute |
| Customs tariff number | 90318080000 |
| Country of origin | DE |
| Weight | 288 g |
Technical Data
| Housing material | Die-cast zinc |
| Ambient temperature | -40…+85 °C |
| Protection class | IP67 |

